This website requires JavaScript.
Explore
Help
Sign In
eddy
/
STM8_samples
Watch
1
Star
0
Fork
0
You've already forked STM8_samples
mirror of
https://github.com/eddyem/STM8_samples.git
synced
2026-02-02 05:15:12 +03:00
Code
Issues
Packages
Projects
Releases
Wiki
Activity
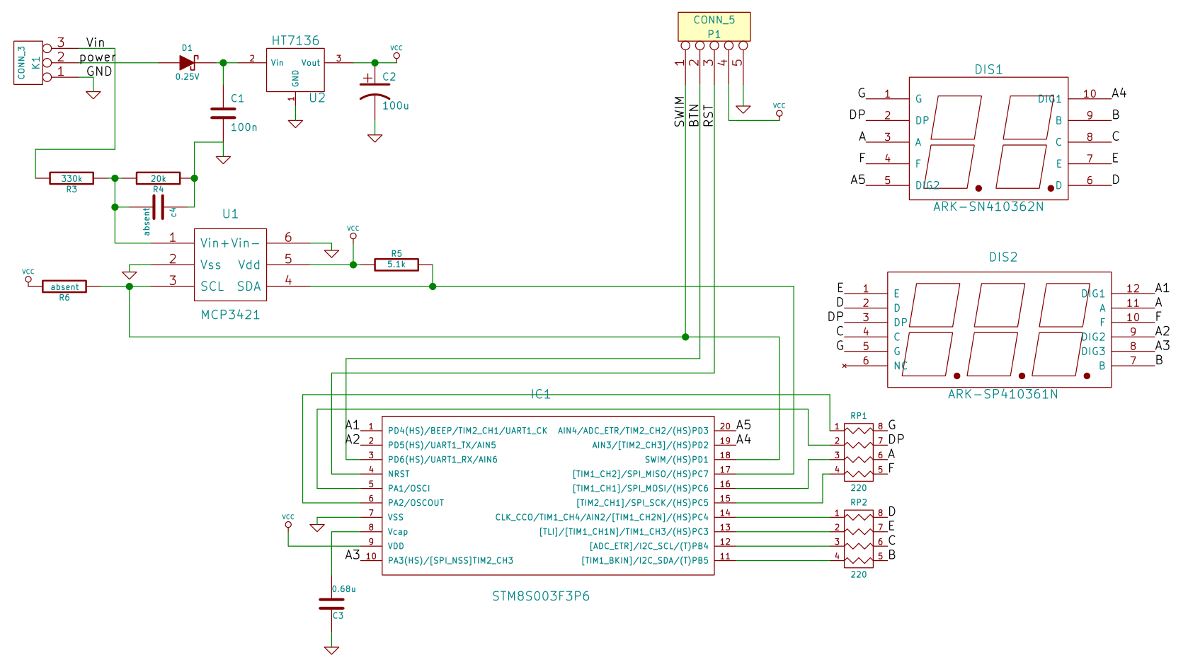
STM8_samples
/
voltmeters
/
kicad
/
5-digit
/
sch.png
eddyem
18dbf01b15
add
2015-02-01 00:54:16 +03:00
173 KiB
1678x943px
Raw
History